概述
FT-X2-PC356是一块小外形的贴片光电耦合器件,适合表面贴装生产。FT-X2-PC356是由一个砷化镓发光二极管和一个光电晶体管组成的光电耦合器,它的体积比DIP小,适用于高密度表面贴装应用,如可编程控制器等。
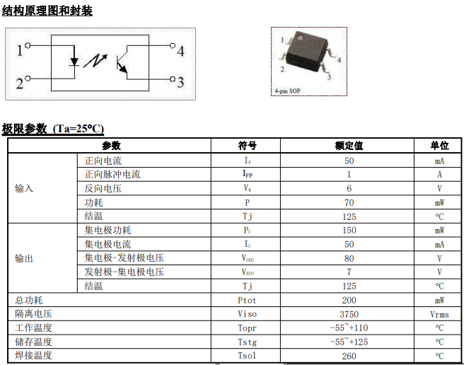
特性
电流转换比 (CTR)范围: 50~600% (IF =5mA ,VCE =5V)
输入-输出隔离电压 (Viso=3750 Vrms)
集电极-发射极击穿电压 BVCEO≥80V
工作温度:-55~110°C
UL 认证(NO.:E497745)
符合 EU REACH 和 RoHS
CQC 认证(NO:CQC20001238559)
Applications
开关电源,智能电表
工业控制,测量仪器
办公设备,比如复印机
家用电器,比如空调、风扇、热水器等


Important Notice
Performance figures, data and any illustrative material provided in this data sheet are typical and must be specifically confirmed in writing by F-tone Networks before they become applicable to any particular order or contract. In accordance with the F-tone Networks policy of continuous improvement specifications may change without notice.
The publication of information in this data sheet does not imply freedom from patent or other protective rights of F-tone Networks or others. Further details are available from any F-tone Networks sales representative.A

